- 產品介紹
- 產品參數
型號
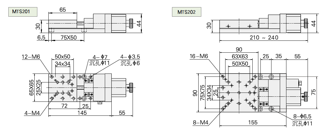
MTS201
MTS202
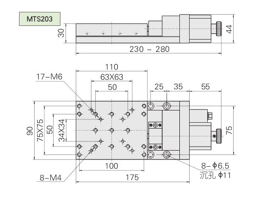
MTS203
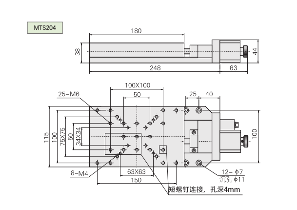
MTS204
行程(mm)
15
30
50
100
臺面尺寸(mm)
65×65
90×90
90×110
115×180
導軌
V形導軌+交叉滾柱
絲桿導程(mm)
0.5
1
分辨率(mm)
0.000039
0.000078
極限速度(mm/s)
10
重復定位精度(mm)
<0.003
運動直線度(mm)
0.005
0.01
0.012
0.015
運動平面度(mm)
0.006
0.012
0.015
0.02
軸向間隙(mm)
<0.005
步進電機(1.8°)
42步進電機
極限靜轉矩(Ncm)
40
50
中心負載(kg)
10
12
自重(kg)
0.8
1.3
1.5
2.8
備注
應用真空環境中,需單獨訂貨
















